27
2022-06
恒尔暖自控中心分体暗装款——别墅复式房2台热水器组合供热水智能控制器
来源: 浏览次数:19809 日期:2022/6/27 16:23:47
2台热水器怎样组合一起供热水?是并联好还是串联好?
2台热水器组合一起供热水,无论是并联还是串联都有缺陷。串联会导致每次用热水,2台热水器都会启动,影响热水器使用寿命,比如很高温度的太阳能出水甚至会损坏燃气热水器;而并联一起使用,两边都要安装水阀,用一台热水器要去关闭另一台热水器,十分麻烦,如果家里只有老人和小孩,不一定知道怎么操作。
在2台热水器组合的热水系统中,安装上恒暖暖通公司发明的自控中心,可以自动控制,无需人工操作,还能在1台热水器出水水温不够时,自动经过另一台进行二次加热,节能方便。
恒尔暖自控中心工作原理
恒尔暖自控中心,是合肥恒暖暖通设备有限公司发明的二台热水器配合供热水的智能控制装置。一台热水器为常用热水器,比如:太阳能热水器、空气能热水器,另一台热水器为备用补充热水器,一般为快速式热水器,如:燃气热水器、即热式电热水器。在用常用热水器和补充热水器组合一起的热水系统中,安装上恒尔暖自控中心,在常用热水器出水温度能够达到设定温度时,直接到用水点,当出水温度低于设定温度时,水流自动流经补充热水器进行二次加热,再流向用水点。
实时根据设置温度和实际温度的对比,全自动控制水流方向,无需手动切换水阀。
(恒尔暖自控中心工作原理图)
恒尔暖自控中心的作用
在2台热水器组合一起供热水的系统上安装恒尔暖自控中心,避免了两台热水器都安装水阀和每次手动切换的麻烦,又能在常用热水器出水温度不够时进行二次加热,减少直接用自来水加热的能源浪费。又可以配合循环泵做成即开即有热水的零冷水系统,避免了燃气热水器频繁启停和燃气的浪费,延长燃气热水器的使用寿命。智能控制,方便,舒适,节能。
恒尔暖自控中心分体暗装款的特点
为了满足家庭装修更美观的需求和多层别墅大流量用热水的需求,恒暖暖通公司在原来一体式自控中心的基础上,又新研发了分体暗装款,该新款具有以下特点:
1、分体暗装,更加美观,不影响家庭装修。
水路控制器和控制面板分体式安装,水路控制器可以隐藏式安装于橱柜下或吊顶内,控制面板可以安装在墙面的86暗盒内,二者之间通过暗埋穿线套管布置控制线进行连接。
补充燃气热水器下面整洁、美观、不占据地方。
(恒尔暖自控中心分体暗装款安装示意图)
2、大通径,大流量,家用热水更舒畅。
采用DN32(1.2寸)超大球阀式三通阀,通水内径高达25mm左右,通水管路采用1寸不锈钢波纹管,可与32或40PPR管对接,不缩径,不会影响水流量。
可满足复式房和多层别墅大流量热水需求。
3、真材实料,经久耐用,寿命长达几十年。
自控中心水路控制内部,采用特厚精铜阀体和配件,水路采用0.3mm厚SUS316不锈钢波纹管,耐高压、耐高温、耐腐蚀。
外盒采用1mm厚拉丝不锈钢材质,靓丽美观,不生锈,不变形,经久耐用。
控制面板采用经过多年使用验证质量十分稳定的版本,性能十分稳定,维修率十分低。
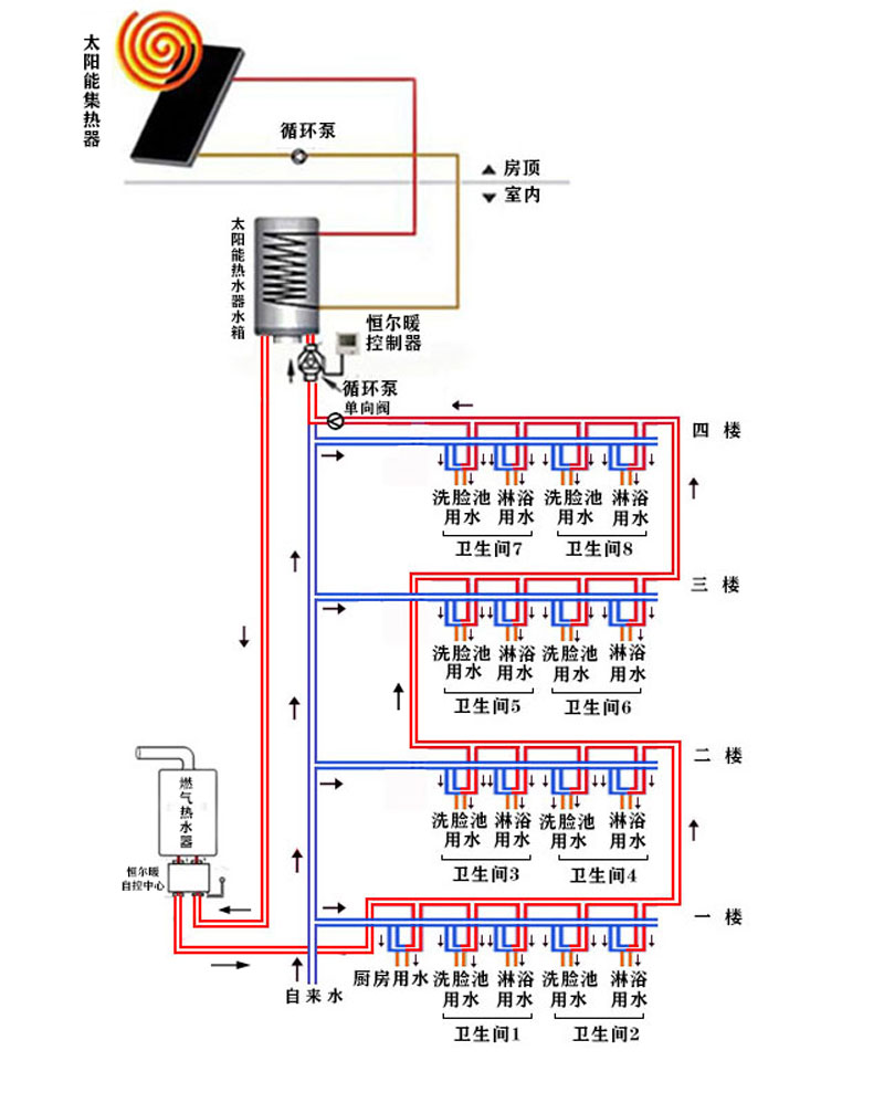
2台热水器组合一起供热水,配套恒尔暖自控中心,如何进行热水系统设计?
分为以下两种情况:不做即开即有热水的零冷水系统的热水系统设计和做零冷水系统的热水系统设计。
由于补充用的热水器一般为燃气热水器较多,下面均以燃气热水器为代表进行介绍。
无论哪种热水系统设计,恒尔暖自控中心和燃气热水器的连接都是一样的,自控中心右上口与燃气热水器冷水入口连接,左上口与燃气热水器热水出口连接。下面不再赘述。
根据常用热水器的不同,有以下三种热水系统设计方案:非承压式太阳能、承压式太阳能和空气能,分别进行说明。
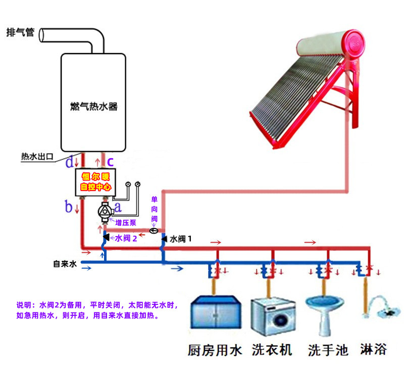
非承压式太阳能+燃气热水器+恒尔暖自控中心的热水系统设计
上图中,是在自控中心入水口加了增压泵的,非承压式太阳能热水器与燃气热水器之间的落差如果可以满足燃气热水器启动,可以不加增压泵;但加上增压泵,水压增大,使洗浴更舒适。
太阳能水箱下水管直接接恒尔暖自控中心右下水口,中间不要有用水点,自控中心左下水口接家里热水主管,然后通往各个用水点。
在该系统中,当太阳能下水温度达到自控中心设置温度时,从a水口进入,从b水口流出,直接到用水点;当下水温度低于设置温度时,水流向上从c水口流出进入燃气热水器二次加热,然后流出从d水口进入自控中心,再从b水口流出,流向用水点。
承压式太阳能+燃气热水器+恒尔暖自控中心的热水系统设计
由于承压式太阳出水压力就是自来水压力,一般水压都足以启动燃气热水器,因此无需配增压泵。
从太阳能水箱出水口接出一根管道,与恒尔暖自控中心右下水口连接,中间不要有用水点,自控中心左下水口接家里热水主管,然后通往各个用水点。
空气能+燃气热水器+恒尔暖自控中心的热水系统设计
从空气能水箱出水口接出管道,与自控中心右下水口连接,中间不要有用水点,自控中心的左下水口与家里的热水主管连接。
根据常用热水器的不同,有以下四种常用的设计方案:非承压式太阳能+储能缓冲水箱、承压式太阳能、空气能、储能缓冲水箱配套燃气热水器+恒尔暖自控中心+循环泵及其控制器组合的热水循环系统,下面分别进行介绍。
非承压式太阳能+储能缓冲水箱+燃气热水器+恒尔暖自控中心+循环泵的热水循环系统设计
利用恒尔暖自控中心加缓冲水箱,可以实现非承压式太阳能+燃气热水器做成零冷水系统,做到即开即有热水,解决了非承压式太阳能无法做零冷水循环系统的难题。看下面的系统设计图。
(平层及复式房非承压式太阳能+储能缓冲水箱+燃气热水器+自控中心+循环泵热水循环系统图)
(别墅非承压式太阳能+储能缓冲水箱+燃气热水器+自控中心+循环泵热水循环系统图)
非承压式太阳能水箱的出水管(下水管),与缓冲保温水箱入水口连接,从缓冲水箱出水口接出管道,与自控中心右下水口连接,在这之前不要有用水点,自控中心左下水口与家里热水主管相连,然后依次经过各个用水点,直到最后一个用水点,热水管继续向前,与缓冲水箱的回水口连接,如果没有回水口,利用三通与太阳能的下水管相连,并在三通与最后一个用水点之间以及向太阳能水箱一边分别安装上单向阀,让水流向自控中心。
循环泵安装在最后一个用水点和缓冲水箱的入(回)水口之间。
建议循环泵配套安装恒尔暖智能控制器,这样自控中心和循环泵都可以周编程设置每天的开关机时间和水温。二者配合设置好开关机时间和温度,可以达到很好的节能和减少燃气热水器的启停次数,设置方式如下:(说明:以下几种热水循环系统设计方案,自控中心和循环泵配合设置的方法相同,不再赘述)
开机时间的设定:每次设定开机时间,循环泵要比自控中心早几分钟,或者自控中心和循环泵控制器设置的周编程时间完全一样,但把循环泵控制器的时钟设置比准确时间早几分钟,而自控中心设置为准确时间。
温度的设定:燃气热水器设定水温(如为:58°C)>循环泵控制器设定水温(如为43°C)>自控中心设定水温(如为:40°C)。
这样,在开机时段内,当循环泵处水管里的水温降到低于43°C时,循环泵就开启,缓冲水箱的热水就流出,当高于43°C的热水流经各个用水点到循环泵处时,控制器检测到水温已达到设定值,循环泵就停止工作。可以看出当水管里的水温还没有降到低于自控中心的设置水温40°C,就开启循环,水管里的水很快就被替换成较高温度的水,因此只要储能缓冲水箱的水温高于40°C,燃气热水器始终就不会启动。
该热水循环系统可以不加缓冲水箱,但燃气热水器启停次数会较多;如果加上水箱,一是可以避免燃气热水器频繁启停,延长其使用寿命,降低能耗,二是可以作为太阳能第二个储水水箱。
承压式太阳能+燃气热水器+恒尔暖自控中心+循环泵的热水循环系统设计
如下图,将家里的热水管道做成一个循环回路,太阳能水箱出水口接出一根管道与自控中心右下水口连接,中间不要有用水点,自控中心左下水口与家里热水主管连接,热水主管依次经过各个用水点时接出支管与水龙头连接,到最后一个用水点,继续向前,到太阳能水箱入水口处,利用三通与自来水合并在一起接到水箱入水口。
太阳能的出水流经自控中心检测,如果水温达到设定值,直接流向用水点,水温达不到设定值时,自动经过燃气热水器加热后再流向用水点。
热水循环泵安装在最后一个用水点和水箱入水口之间,可以安装在水箱下或最后一个用水点的橱柜内,循环泵控制器可以安装距离循环泵不用的墙面预留的86暗盒内。
(平层及复式房承压式太阳能+燃气热水器+恒尔暖自控中心+循环泵热水循环系统图)
(别墅承压式太阳能+燃气热水器+恒尔暖自控中心+循环泵热水循环系统图)
空气能+燃气热水器+恒尔暖自控中心+循环泵的热水循环系统设计
如下图,把热水管路做成一个闭环,从空气能水箱出水口与自控中心右下水口直接连接,中间不要有用水点,自控中心左下水口与热水主管连接,依次经过每个用水点,直到最后一个用水点,管道继续向前布置到空气能水箱的入水口处,利用三通与自来水合并一起进入水箱,并在三通和和最后一个用水点之间安装单向阀,使水只能流向水箱,避免自来水回流到热水管;并在最后一个用水点和水箱的入水口之间安装上热水循环泵及其控制器。
这样就可以确保空气能的出水温度够时,直接到用水点,水温不够时,自动经过燃气热水器二次加热,而且每个用水点都可以即开即有热水,不用等待,也不会浪费自来水。
(空气能+燃气热水器+恒尔暖自控中心+循环泵热水循环系统图)
储能缓冲水箱+燃气热水器+恒尔暖自控中心+循环泵的热水循环系统设计
在燃气热水器边上安装上恒尔暖自控中心,储能缓冲水箱入水口与自控中心左下水口连接,水箱出水口与热水主管连接,依次经过各个用水点后,最后与自控中心右下水口连接,并在之前与自来水管利用三通连接,并在三通和最后一个用水点之间安装单向阀,使自来水只流向自控中心,热水循环泵及其控制器安装在最后一个用水点和自控中心右下水口之间。
在该系统中,燃气热水器设置较高的温度(如60°C),一次烧好水,储存在水箱内,在热水循环开启的时段内,只要水箱里的水温大于自控中心设定水温时,燃气热水器就不会启动;当开启热水龙头使用热水时,自来水进入系统,自控中心开启水流转向,燃气热水器对进入的自来水加热,然后补充到水箱中去,因此水箱中会始终保持有热水。
这个系统和单独用普通燃气热水器加上循环泵做零冷水系统和用零冷水热水器做零冷水系统相比,具有以下优点:只有当水箱的水温低于设定温度时,水流才流经燃气热水器进行二次加热。几乎可以做到不用热水时,燃气热水器可以不启动。因此该热水循环系统大大降低燃气热水器启停次数,节省燃气,延长燃气热水器使用寿命,而且热水充足,不会出现忽冷忽热的现象。
热水循环系统的设计和安装方式详见下图:
(储能缓冲水箱+燃气热水器+恒尔暖自控中心+循环泵有回水管的热水循环系统图)
即使没有预埋热水回水管也可以安装使用。只需要将最远端的自来水管和热水管短接,并安装上单向阀,保证水流方向是从热水向自来水方向即可。见下图:
(储能缓冲水箱+燃气热水器+恒尔暖自控中心+循环泵无回水管的热水循环系统图)
包括连接自控中心的水管预埋、水路控制器的安装、控制面板的安装、以及二者之间控制线的连接。
自控中心水路控制器可以隐藏安装在橱柜内或吊顶内,通过在墙内暗埋2根PPR管,将自控中心右上水口与燃气热水器冷水入口相连,左上水口与燃气热水器热水出口相连,右下水口与从常用热水器过来的热水管道相连,左下水口与热水主管相连,通往用水点。
预埋管道时注意预留足够的空间安装水路控制器,而且与水路控制器连接的PPR管口水平中心距为100mm,预留出墙PPR上下管之间的距离要大于290mm。
(恒尔暖自控中心分体暗装款的尺寸图)
水路控制器利用3个螺钉直接固定在墙壁上;然后预留的PPR管利用PPR外丝弯头直接与水路控制器的4个活接内丝口对接;将电动执行器安装到三通阀的阀芯上。
可以预先在水路控制器安装位置不远处(不超过1.5米),墙面开槽,预埋86暗盒,并与控制器之间预埋电线套管,以便穿控制电线和温控线;在86盒内预留市政零线、火线和接地线。
温度传感器的连接,将控制面板上温度传感线通过预埋的套管与水路控制器上温度传感器对接;控制线的连接,电动执行器的三芯护套线从预埋的套管通到控制面板处,按照说明书与面板相应端子对接,注意,接地线要与86盒内与预留的家里接地线连接。
详细的安装步骤、方法和注意事项,请严格按照安装使用说明书操作。
恒尔暖自控中心分体暗装款的安装
连接自控中心的热水管道预埋
水路控制器的安装
控制面板的安装
控制面板和水路控制器之间控制线的连接







皖公网安备 34010402701461号